Алексей
- Комментарий
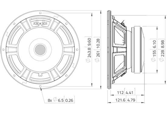
Впервые имею дело с фирмой LaVoce, поэтому были некоторые опасения по соответствию заявленных производителем параметров динамика. Сразу после приобретения WSF102.50 у них были замерены параметры ТС. Как и ожидалось, добротность и резонанс были выше указанных в паспорте на 10-15 %, а эквивалентный объем ниже. После прогрева в течении 6 часов сигналом 15-20 Гц при максимальном линейном ходе подвижки, параметры пришли почти в норму и стали соответствовать, указанным в даташите. Разброс пары динамиков между собой минимальный, что говорит о высокой культуре производства.
Динамики вполне соответствуют своей цене. Качество сборки хорошее.
Отдельно хочу выразить благодарность сотрудникам магазина за быстрое оформление заказа.









